DLY1-40,DLY1-16,电磁失电离合器,离合器厂家,温纳电磁离合器
描述:
㈠、主要用途:离合器主要用于机械传动系统中,可在主、从动部分相对转速较低或为零情况下,实现从动部分与主动部分的结合,从而起到起停换向、定位等目的。广泛用于金属加工机械、冶金轧钢机械、包装机械、医疗机械、食品加工机械、纺织印染机械、造纸机械、精密机床等行业。
㈡、离合器在下列条件下能可靠工作:
1、离合器安装地点海拔不超过2000m;
2、周围环境温度-5℃~+40℃;
3周围介质中无爆炸危险,且无足以腐蚀金属和破坏绝缘的气体及导电尘埃;
4、离合器线圈电压波动不超过+5%和-15%额定电压;
5、离合器可在有润滑和无润滑情况下工作。
㈢、安装:
1、离合器可水平安装也可垂直安装,安装在轴上的离合器应保持主动轴与从动轴之间的同轴度不大于0.05mm并保证工作间隙δ值;
2、离合器安装前两端面齿应清洗干净;
3、离合器主、从动部分轴向需固定,不许有轴向窜动。
主要性能参数
|
规格
|
额定传递力矩N.M
|
额定电压
D.C.V
|
线圈消耗功率(20℃)W
|
允许最高结合转速
r/min
|
允许最高转速
r/min
|
|
16
|
160
|
24
|
22
|
25
|
3500
|
|
40
|
400
|
24
|
29
|
15
|
3000
|
\
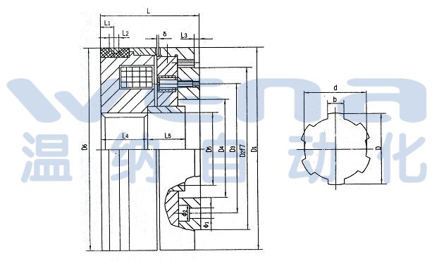
外形与安装尺寸
|
规格
Size
|
径向尺寸Radial Demensions
|
轴向尺寸Axial Demensions
|
电刷型号
Brush
Model
|
|
D1
|
D2
|
|
D4
|
D5
|
D6
|
D
|
d
|
b
|
φ1
|
φ2
|
L
|
L1
|
L2
|
L3
|
L4
|
L5
|
δ
|
|
16
|
115
|
90
|
80
|
60H8
|
45H11
|
115
|
45
|
40
|
12
|
4-φ7
|
4-φ11
|
52
|
7
|
8
|
2
|
24
|
22
|
0.25
|
DS-002
|
|
40
|
145
|
115
|
92
|
70H7
|
50H11
|
145
|
50
|
45
|
12
|
6-φ7
|
6-φ11
|
70
|
9
|
8
|
3
|
34
|
26
|
0.5
|
DLY1-40,DLY1-16,电磁失电离合器,离合器厂家,温纳电磁离合器
DLT1-10,DLT1-16,DLT1-25,电磁失电离合器,离合器厂家,温纳电磁离合器
DLT1-41,DLT1-63,DLT1-100,电磁失电离合器,离合器厂家,温纳电磁离合器
DLT1-25T,DLT1-100S,DLT1-250,电磁失电离合器,离合器厂家,温纳电磁离合器
DLM6-5AF,DLM6-2.5,电磁失电离合器,离合器厂家,温纳电磁离合器
DLM6-5A,DLM6-5AFH,DLM6-5AFS,电磁失电离合器,离合器厂家,温纳电磁离合器
转载地址:http://www.667799.net/yqslhq/376.html
上一篇:没有了 下一篇:
DLY2-5A,DLY2-5AN,DLY2-10A,电磁失电离合器,离合器厂家,温纳电磁离合器