KPQD,递进式分配器,无锡生产,温纳厂家
	一、概述
	JPQ(D)型递进分配器由首块A,工作块M、尾块E 组成分配器组,工作块的件数可根据需要选择,最少三件,最多可达10 件,每件工作块有两个出油口,因此每一分配器组的出油口在6-20 个之间,也就是每一分配器组可供6-20 个润滑点,所需供油量的多少,可按型号规格表列数据选用。如果某润滑点在一次循环供油中需要供油量较大或特大,可采用图A3 的方法,取出工作块内部的封闭螺钉,并在出油口增加一个螺堵,使两个出油口的油量合并到一个出油口。
	注意所合并的供油量是工作块排列中下一个工作块型号所规定的供油量(参看工作原理图)。如果合并两个出油口的供油量仍然满足不了需要,可采用图A4 的方法,增加三通或二通桥式接头,以汇集几个出油口的油量来满足需要。
	二、技术参数
	 
	
		
			| 
				 
					型号 
			 | 
			
				 
					工作块代号 
			 | 
			
				 
					公称压力Mpa 
			 | 
			
				 
					给油量ml/次 
			 | 
			
				 
					进油口管子外径mm 
			 | 
			
				 
					出油口管子外径mm 
			 | 
			
				 
					重量kg 
			 | 
		
		
			| 
				 
					JPQS 
			 | 
			
				 
					M1 
			 | 
			
				 
					16 
			 | 
			
				 
					0.10 
			 | 
			
				 
					10:8 
			 | 
			
				 
					8:6 
			 | 
			
				 
					0.485 
			 | 
		
		
			| 
				 
					M1.5 
			 | 
			
				 
					0.15 
			 | 
		
		
			| 
				 
					M2 
			 | 
			
				 
					0.20 
			 | 
		
		
			| 
				 
					M2.5 
			 | 
			
				 
					0.25 
			 | 
		
		
			| 
				 
					M3 
			 | 
			
				 
					0.30 
			 | 
		
		
			| 
				 
					M4 
			 | 
			
				 
					0.40 
			 | 
		
		
			| 
				 
					KPQD 
			 | 
			
				 
					M1 M1.5 
			 | 
			
				 
					0.35 0.55 
			 | 
			
				 
					10 
			 | 
			
				 
					10:8 
			 | 
			
				 
					0.812 
			 | 
		
		
			| 
				 
					M2 
			 | 
			
				 
					0.75 
			 | 
		
		
			| 
				 
					M3 
			 | 
			
				 
					1.0 
			 | 
		
	
	使用介质为锥入度250~350(25℃150g)1/10mm 的润滑脂。
	三、型号说明
	
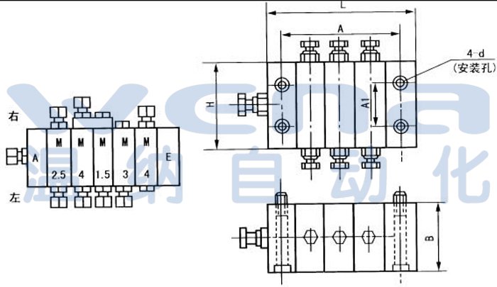
	四、外形尺寸
	
	
		
			| 
				 
					型号 
			 | 
			
				 
					L 
			 | 
			
				 
					A 
			 | 
			
				 
					H 
			 | 
			
				 
					B 
			 | 
			
				 
					A1 
			 | 
			
				 
					螺钉d 
			 | 
		
		
			| 
				 
					JPQS 
			 | 
			
				 
					(工作块数+2)x20 
			 | 
			
				 
					(工作块数+1)x20 
			 | 
			
				 
					55 
			 | 
			
				 
					45 
			 | 
			
				 
					22 
			 | 
			
				 
					M5x50 
			 | 
		
		
			| 
				 
					JPQD 
			 | 
			
				 
					(工作块数+2)x25 
			 | 
			
				 
					(工作块数+1)x20 
			 | 
			
				 
					80 
			 | 
			
				 
					60 
			 | 
			
				 
					34 
			 | 
			
				 
					M6x65 
			 | 
		
	
	说明:递进分配器的组合按进油口元件首块A、工作块M和尾块E、从左到右排列,在队列下方出口称为左,在队列上方出口称为右。如图
	五、工作原理
	A1、递进分配器
	图A1,压力油由进油口进入分配器组,油由柱塞“Ⅰ”的左通道进入柱塞“Ⅱ”的左腔,将柱塞“Ⅱ”推向右侧,柱塞“Ⅱ”右腔的油经柱塞“Ⅰ”的右通道由出油口“1”输出,与此同时,柱塞“Ⅱ”的左通道接通,油进入柱塞“Ⅲ”的左腔,柱塞“Ⅲ”被推至右侧,右腔的油经柱塞“Ⅱ”的右通道由出油口“2”输出。此时柱塞“Ⅲ”的左通道接通,油进入柱塞“Ⅰ”的右腔(参看图A1)将柱塞“Ⅰ”推至左侧,柱塞“Ⅰ”左腔的油通过柱塞“Ⅲ”的右通道,由出油口“3”输出。
	图A2,按上例输油线路,当柱塞“Ⅱ”“Ⅲ”推至左侧时,柱塞“Ⅱ”“Ⅲ”左腔的油通过柱塞“Ⅰ”“Ⅱ”的左通道由出油口“4”“5”输出,同时柱塞“Ⅲ”的右通道接通,油经右通道进入柱塞“Ⅰ”的左腔,将柱塞“Ⅰ”推至右侧,右腔的油经柱塞“Ⅲ”的左通道,由出油口“6”输出。
	A2、根据以上输油步骤,完成一次供油的循环,每一个出油口按顺序定量输油,周而复始。
	A3、递进分配器在使用时,可以施行监控,用户如果需要监控,可在标记后注明带触杆(或带监控器)。
	
	六、订货须知
	 递进分配器在使用时,可以施行监控,用户如果需要监控,可在标记后注明带触杆(或带监控器)。
	 
	 
	PV2R23-26-85,PV2R23-26-94,双联叶片泵,无锡生产,温纳厂家
	PV2R23-26-116,PV2R23-26-125,双联叶片泵,无锡生产,温纳厂家
	PV2R23-26-136,PV2R23-26-153,双联叶片泵,无锡生产,温纳厂家
	PV2R23-33-52,PV2R23-33-60,双联叶片泵,无锡生产,温纳厂家
	PV2R23-33-66,PV2R23-33-76,双联叶片泵,无锡生产,温纳厂家
	PV2R23-33-85,PV2R23-33-94,双联叶片泵,无锡生产,温纳厂家
	PV2R23-33-116,PV2R23-33-125,双联叶片泵,无锡生产,温纳厂家
	PV2R23-33-136,PV2R23-33-153,双联叶片泵,无锡生产,温纳厂家
	PV2R23-41-52,PV2R23-41-60,双联叶片泵,无锡生产,温纳厂家
	PV2R23-41-66,PV2R23-41-76,双联叶片泵,无锡生产,温纳厂家
	PV2R23-41-85,PV2R23-41-94,双联叶片泵,无锡生产,温纳厂家
	PV2R23-41-116,PV2R23-41-125,双联叶片泵,无锡生产,温纳厂家
	PV2R23-41-136,PV2R23-41-153,双联叶片泵,无锡生产,温纳厂家
	PV2R23-47-52,PV2R23-47-60,双联叶片泵,无锡生产,温纳厂家
	PV2R23-47-66,PV2R23-47-76,双联叶片泵,无锡生产,温纳厂家
	 
	 
	
		本公司产品质量保证,价格优惠,品种齐全,现主要销往全国各地:上海、北京、杭州、温州、宁波、嘉兴、深圳、东莞、苏州、徐州、泰州、南京、常州、济南、淄博
	
		莱芜、潍坊、合肥、芜湖、重庆、成都、昆明、九龙坡、嘉峪关、福建、乌鲁木齐、包头、大连、哈尔滨、沈阳、西安、郑州、榆林、天津、玉林等等
	
		   换向阀,单向阀,节流阀,顺序阀,溢流阀,叠加阀,卸荷阀,液控单向阀,电磁溢流阀,单向节流阀,直动式溢流阀,电磁换向阀,电液换向阀,隔爆电磁换向阀,高压球阀,高压球芯截止阀,蓄能器阀组,比例控制阀,分流阀,调速阀,手动换向阀,平衡阀,多路阀,液压锁,双向液压锁
	
		   叶片泵,齿轮泵,柱塞泵,双联叶片泵,定量叶片泵,双联变量叶片泵,双联齿轮泵,油泵,齿轮油泵,齿轮马达,液压马达,高压齿轮泵,高压齿轮马达,油泵电机组
	
		   电磁阀,脉冲阀,脉冲控制仪,膜片,气控阀,截止阀,截止式换向阀,人控阀,机械阀,手转阀,角座阀,制冷电磁阀,膜片电磁阀,法兰电磁阀,减压阀,调压阀,油雾器,过滤器,空气过滤器,二联件,三联件,气源处理组合,除油器,
	
		   液压附件,蓄能器,蓄能器安全阀组,截止阀安全阀组,过滤器,过过器滤芯,冷却器,风冷机,液位计,温度计,滤清器 
	
		  电磁制动器,电磁失电制动器,电磁离合器,多片电磁离合器,牙嵌式电磁离合器,多片多片电磁离合器,干片电磁离合器,快速电磁离合器,单片电磁离合器器,整流器,整流装置,碳刷,电刷,制动器厂家,无锡温纳,
 
                        
                        转载地址:http://www.667799.net/sdrhb/11900.html
                    上一篇:
JPQS,递进式分配器,无锡生产,温纳厂家    下一篇:没有了