WXB-B200,WXB-B250,WXB-B315,WXB-B350齿轮泵,厂家
WXB-B200~1000齿轮油泵产品简介:
WXB-B200~1000型卧式低噪音大流量斜形齿轮油泵是根据客户的使用要求改进设计的产品,自吸性能好,安装维修方便。安装尺寸和有关技术参数完全参照XB系列齿轮油泵,所以可以互换。广泛适用范围于冶金、矿山、锻压、电站、化工、水泥等大型机械设备的稀油循环润滑系统中,也可用于胶合板机械的液压系统中以及输送各种润滑、石油、重油、无腐蚀的各种液体。
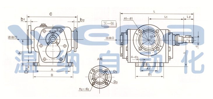
WXB-B200~1000齿轮油泵外表图:
WXB-B200~1000齿轮油泵型号说明:

WXB-B200~1000齿轮油泵技术规格:
|
型号 |
d |
d3 |
h |
h1 |
b |
b3 |
A |
A1 |
B |
B1 |
C |
L |
L1 |
L2 |
t |
|
WXB-B200 |
32 |
19 |
155 |
155 |
10 |
22 |
210 |
80 |
260 |
130 |
300 |
373 |
173.5 |
58 |
35.5 |
|
WXB-B250 |
|
WXB-B315 |
|
WXB-B350 |
105 |
155 |
453 |
201 |
|
WXB-B400 |
|
WXB-B500 |
|
WXB-B630 |
40 |
24 |
190 |
175 |
12 |
28 |
230 |
115 |
290 |
175 |
370 |
504 |
226 |
82 |
43.5 |
|
WXB-B700 |
|
WXB-B800 |
155 |
215 |
589 |
261 |
|
WXB-B900 |
|
WXB-B1000 |
WXB-B200~1000齿轮油泵技术参数:
|
型号 |
进油口法兰 |
出油口法兰 |
驱动功率
w |
额定压力
Pa |
额定转速
min |
吸油高度
mm |
额定流量
h/min |
驱动功率
w |
|
Dn1 |
D |
D1 |
D21 |
n1 |
d1 |
b1 |
Dn1 |
D |
D1 |
D21 |
n1 |
d1 |
b1 |
|
WXB-B200 |
80 |
195 |
160 |
135 |
4 |
18 |
20 |
65 |
180 |
145 |
120 |
4 |
18 |
20 |
10 |
2.5 |
1440 |
500 |
200 |
11 |
|
WXB-B250 |
13 |
250 |
13 |
|
WXB-B315 |
15 |
315 |
15 |
|
WXB-B350 |
17 |
350 |
17 |
|
WXB-B400 |
20 |
400 |
20 |
|
WXB-B500 |
24 |
500 |
24 |
|
WXB-B630 |
125 |
245 |
210 |
185 |
8 |
18 |
24 |
100 |
215 |
180 |
155 |
8 |
18 |
22 |
29 |
630 |
29 |
|
WXB-B700 |
34 |
700 |
34 |
|
WXB-B800 |
37 |
800 |
37 |
|
WXB-B900 |
42 |
900 |
42 |
|
WXB-B1000 |
49 |
1000 |
49 |
备注:1、用户可根据实际使用压力确定电机功率。
2、进出油口法兰可根据客户要求设计制造
3、实际驱动功率用户可根据系统压力大小自行确定。
WXB-B200,WXB-B250,WXB-B315,WXB-B350齿轮泵,厂家
WXB-B400,WXB-B500,WXB-B630,WXB-B700齿轮泵,厂家
WXB-B800,WXB-B900,WXB-B1000齿轮泵,厂家
KHB3K-M16*1.5,KHB3K-M22*1.5,KHB3K-M27*1.5高压球阀
KHB3K-M30*1.5,KHB3K-M36*2,KHB3K-M42*2高压球阀
KHB3K-M52*2,KHB3K-M60*2,KHB3K-G1/8高压球阀
KHB3K-G1/4,KHB3K-G3/8,KHB3K-G3/4,KHB3K-G1高压球阀,温纳高压球阀
KHB3K-G1 1/4,KHB3K-G1 1/2,KHB3K-G2高压球阀,温纳高压球阀
转载地址:http://www.667799.net/chilunyoubeng/3318.html
上一篇:没有了 下一篇:
WXB-B400,WXB-B500,WXB-B630,WXB-B700齿轮泵,厂家